排序
NX/UG高版本启用经典工序导航器
在 UG NX 高版本中启用 “经典工序导航器” 可以按照以下步骤进行操作:一、打开软件启动 UG NX 软件,进入主界面。二、进入用户界面首选项选择菜单栏中的 “首选项”。点击 “用户界面” 选项...

NX管路PMI自动标注功能/教程
管路 PMI 自动标注功能是一项在 NX 软件中用于自动标注管路产品制造信息(PMI)的功能。 以下是关于 NX 管路 PMI 自动标注功能的一些常见特点和应用:提高效率:通过自动标注功能,...
NX/UG升级包如何升级?(教程这个是2406/6000增量升级包)
以下是 NX/UG 升级包的升级步骤: 一、升级前准备 备份数据在进行升级之前,你需要备份重要的项目文件和自定义设置。这可以防止在升级过程中出现意外情况导致数据丢失。确认系统要求查看升级...
UG更新剖视图时发生错误的解决方法
在使用 UG 软件更新剖视图时发生错误,可以从以下几个方面进行排查和解决: 一、检查模型数据 确认模型是否完整且没有损坏。有时候模型在创建或编辑过程中可能出现错误,导致剖视图更新失败。...

UG高版本工程图自动标注沉头孔
在 UG 高版本中实现工程图自动标注沉头孔,通常可以利用以下步骤和方法: 步骤: 首先,确保您的模型中沉头孔的特征已经正确创建和定义。在工程图模块中,选择适当的视图来显示沉头孔。打开标...
NX/UG软件打开命令延时很卡怎么解决,
首先要确认自己电脑配置,这里配置就不详细介绍了,主流就行,解决方案:文件-实用工具-用户默认设置-基本环境-用户界面,右侧有个预测命令,把勾选取消就可以了,命令无延迟,特别快。实在不懂...
分享一款UG自动出图软件
《UG 自动出图软件:提升效率与精度的利器》在现代工业设计与制造领域,高效、准确的图纸生成是至关重要的环节。UG 自动出图软件的出现,为这一过程带来了革命性的变革。UG 自动出图软件基于...
NX2412新版本“确认刀轨”不见了,怎么开启
在 NX2412 版本中,“确认刀轨” 功能已退役,但可以通过【用户默认设置】将其调出来,具体操作步骤如下 : 点击 “菜单 — 文件 — 实用工具 — 用户默认设置”。在弹出的 “用户默认设置” ...
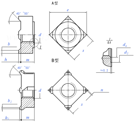
关于国标“焊接方螺母(GB/T 13680-1992)”的标准(附下载)
《焊接方螺母(GB/T 13680-1992):工业紧固的重要角色》 在工业制造的广阔领域中,焊接方螺母(GB/T 13680-1992)扮演着不可或缺的关键角色。 焊接方螺母具有独特的设计和性能特点。它的方...

NX/UG2406新功能-AnimationDesigner新功能案例详解
NX Animation Designer 是 NX12 之后出现的功能,它简单易掌握,面向的对象是机械设计师,是设计人员的机械设计仿真助手。它的关键功能包括 2D 自由体运动研究、独立于结构的基于...








